欢迎光临~金冠电气贸易(英国)有限公司
语言选择: 中文版 ∷  英文版
  • 站用级SM聚合物外壳避雷器(180kV–240kV)
站用级SM聚合物外壳避雷器(180kV–240kV)

站用级SM聚合物外壳避雷器(180kV–240kV)

专业供应180kV–240kV站用级SM聚合物外壳避雷器,10kA标称放电电流,聚合物复合外壳,高能量吸收,符合GB/IEC/ANSI标准,已出口东南亚、中东、南美、欧洲、非洲80+国家。

站用级SM聚合物外壳避雷器详情(180kV–240kV)

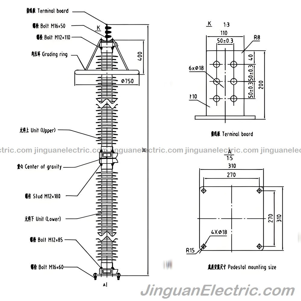
我们专业向全球客户供应站用级SM聚合物外壳金属氧化物避雷器,采用聚合物和复合材料外壳,内部核心由单列或多列电阻片柱组成,标称放电电流10kA。产品适用于交流电网站用保护,具有优异的耐污秽、轻质紧凑、抗老化等特性,确保高压电网安全稳定运行。

主要规格(表格形式)

额定电压 (kV)MCOV (kV)绝缘耐受电压 (kV)雷电冲击绝缘耐受电压 (kV)雷电冲击8/20μs最大残压 (10kA) (kV)高度 (mm)参考图 (mm)工频1min (kV)
1801443403904685251996
192153.6340415500561
198158.4340428515578
204163.2340441530595
216172.83404685616302166
228182.4340495592665
240192340522623700

其他技术参数

  • 标称放电电流:10kA

  • 高电流冲击 (4/10μs):100kA (2次)

  • 重复电荷转移:1.6C

  • 局部放电:<10pC

  • 短路电流额定值:50kA

  • 外壳材料:聚合物及复合材料

  • 标准符合性:GB、IEC 60099-4、ANSI、IEEE C62.11

主要特征

  • 聚合物外壳设计:增强耐用性,轻质紧凑,适用于恶劣环境。

  • 内部电阻片自制:核心模块精密制造,确保高可靠性和长寿命>30年。

  • 高能量吸收:优异绝缘性能,快速响应雷击和操作过电压。

典型应用

  • 适用于1000kV以下交流电网及1100kV以下直流电网的站用保护。

  • 主要用于变电站高压线路、开关设备、风电场及城市配电网。

所有产品均通过KEMA、CEPRI、STL等国际权威实验室型式试验,完全符合GB、IEC、ANSI、IEEE C62.11最新标准,可提供完整测试报告及全套出口文件。已成功出口泰国、越南、菲律宾、印尼、马来西亚、印度、南非、沙特阿拉伯、秘鲁、巴西、阿根廷等东南亚、中东、南美、欧洲、非洲国家。

联系我们

公司名称:金冠电气贸易(英国)有限公司 邮箱:[email protected] 电话/WhatsApp:+86-130-3760-0603 地址:中国河南省南阳市卧龙区

欢迎全球客户来电咨询、索取样品及OEM/ODM合作!

在线询价

导航栏目

新闻中心

联系我们

联系人:马经理

手机:+8613037600603

电话:+8613037600603

邮箱:[email protected]

地址: 河南省南阳市卧龙区

用手机扫描二维码关闭
二维码